Index of /R/Rotel/RB-990BX/Source

[ICO]NameLast modifiedSizeDescription

[PARENTDIR]Parent Directory  -  
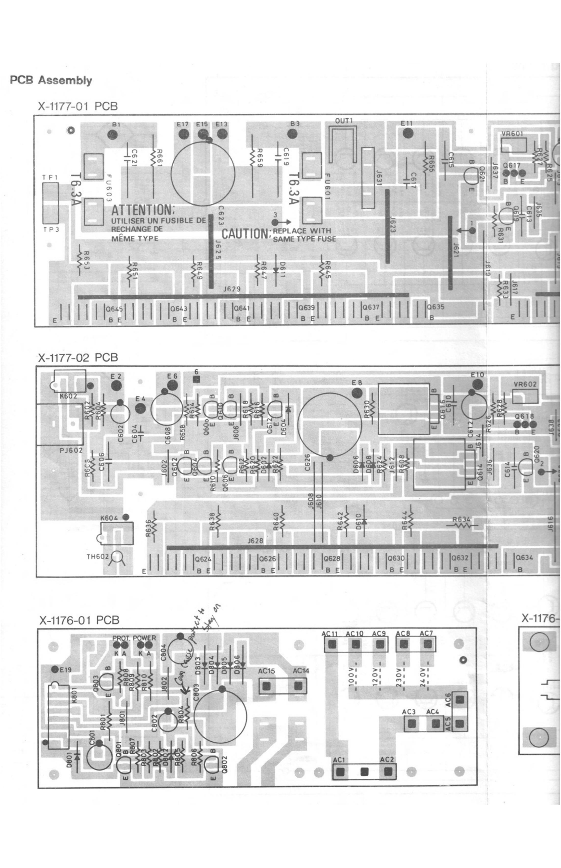
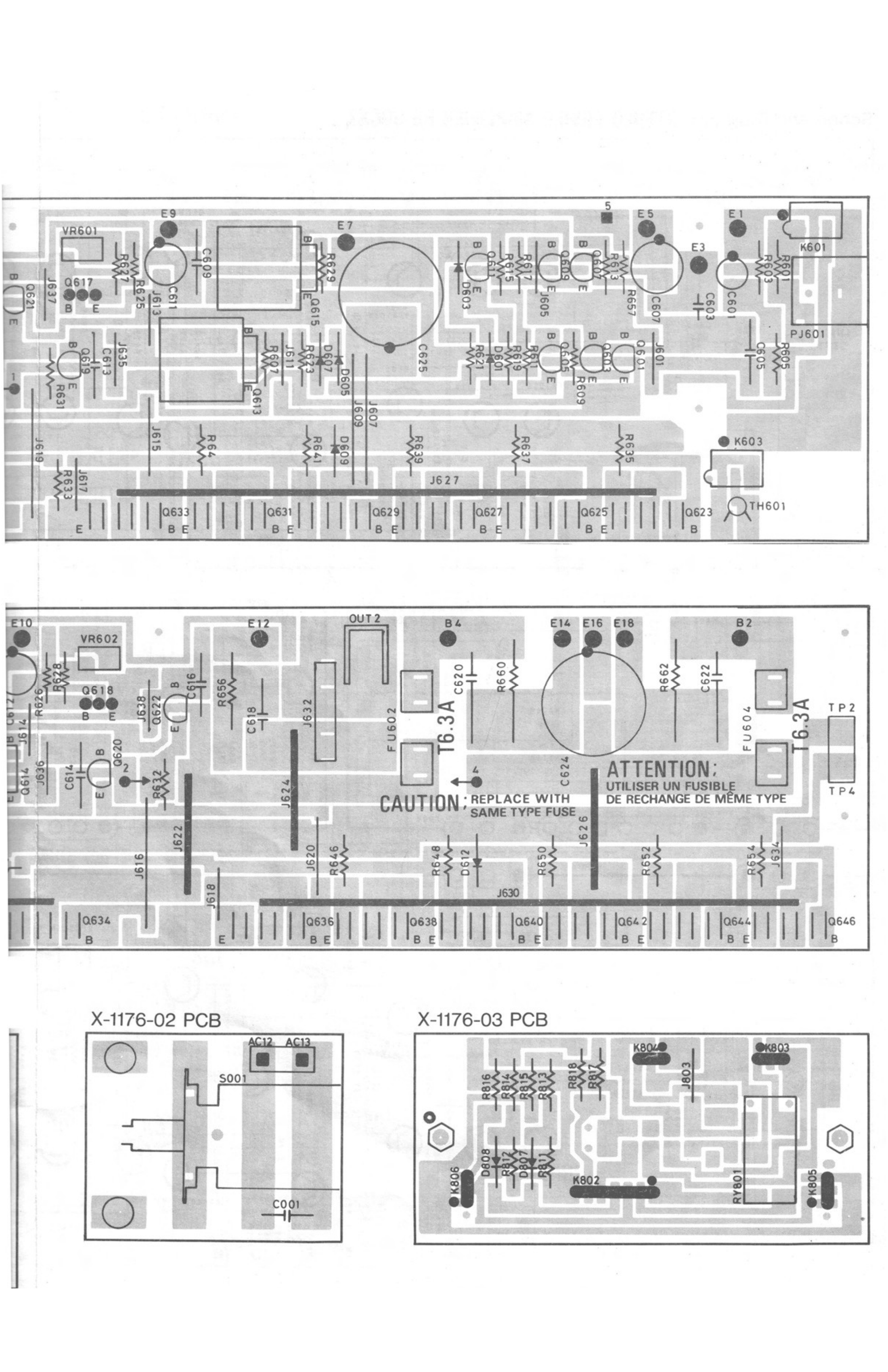
[IMG]Schematic.png2026-02-06 13:27 2.2M 
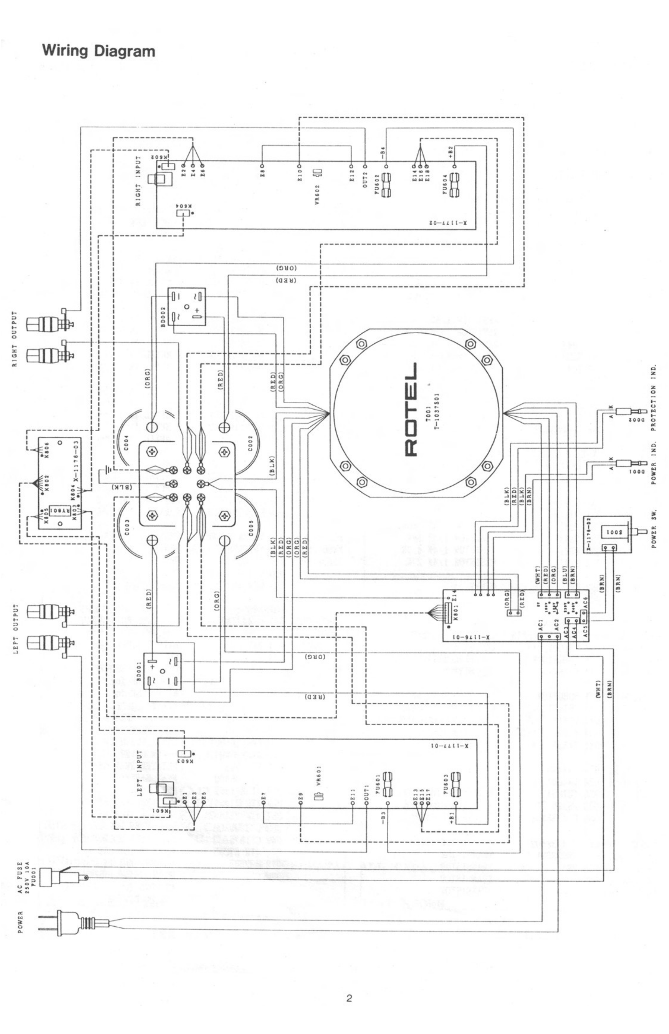
[IMG]Wiring Diagram.png2026-02-06 13:27 1.0M 
[IMG]db82eb44-1.png2026-02-06 10:55 2.1M 
[IMG]db82eb44-2.png2026-02-06 10:55 2.1M 
[   ]rotel_rb-990bx_sch.pdf2026-01-30 11:52 724K 

Apache/2.4.64 (Ubuntu) Server at library.mikesservers.com Port 443