Index of /M/McIntosh/MC40
Name
Last modified
Size
Description
Parent Directory
-
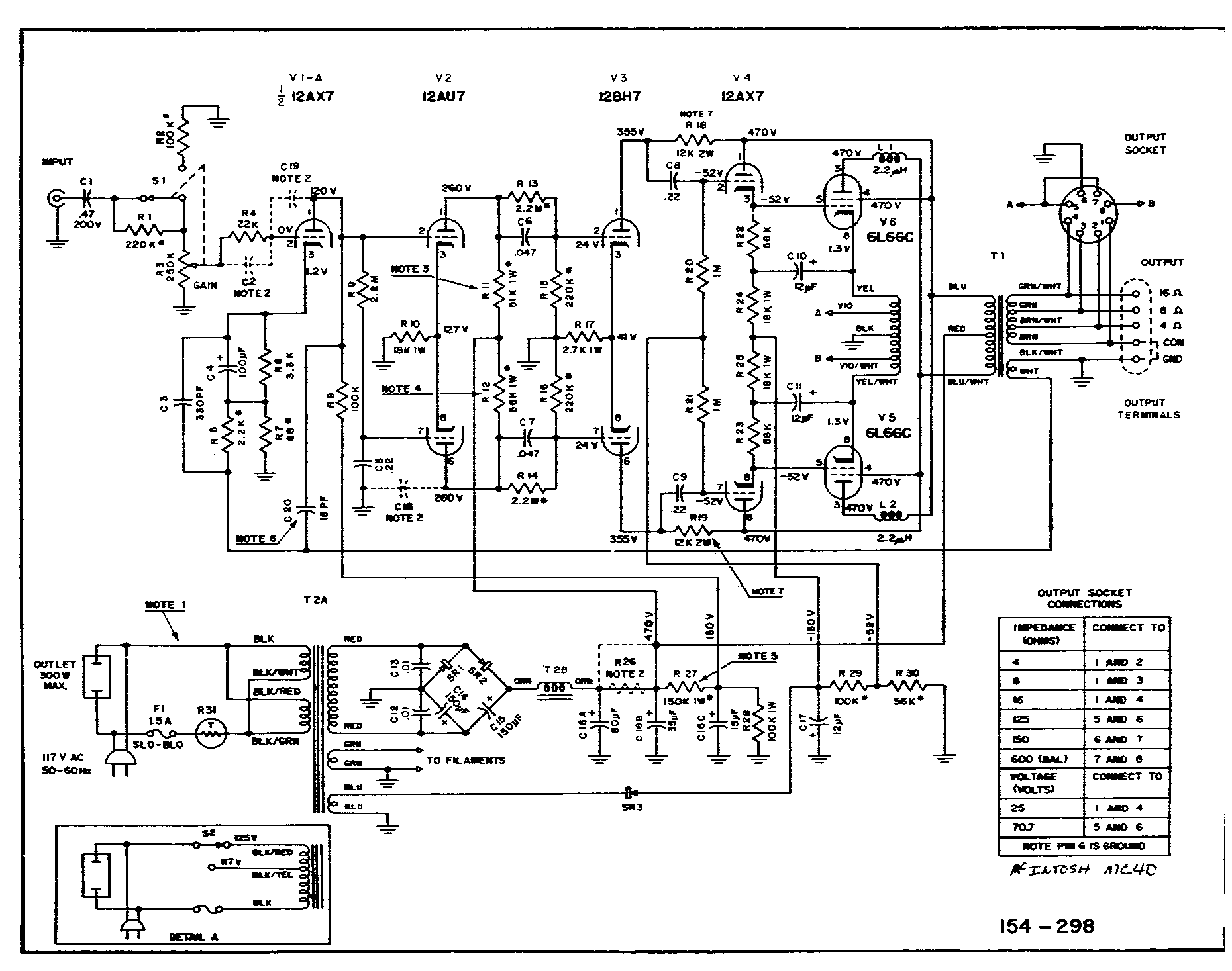
McIntosh-MC40-pwr-sch1.pdf
2026-02-08 11:43
49K
McIntosh-MC40-pwr-sch2.pdf
2026-02-08 11:43
49K
McIntosh-MC40-pwr-sm.pdf
2026-02-08 11:43
307K
mc40.gif
2025-10-17 13:10
64K
Apache/2.4.64 (Ubuntu) Server at library.mikesservers.com Port 443