Index of /C/Conrad-Johnson/Premier 11

[ICO]NameLast modifiedSizeDescription

[PARENTDIR]Parent Directory  -  
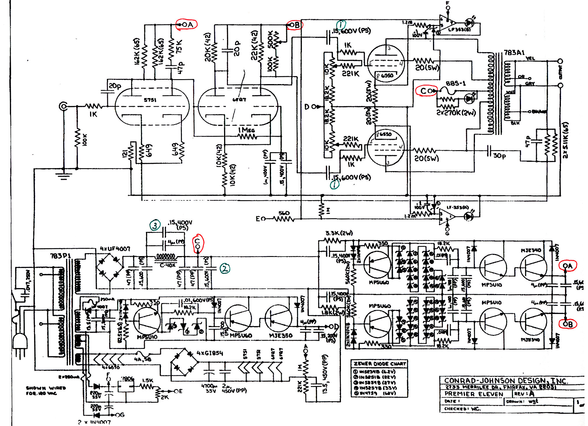
[IMG]Pr11 schematic cropped_smlr file.jpg2026-03-06 12:20 579K 
[IMG]Premier Eleven output wiring2 @ 300.jpg2026-03-06 12:20 1.4M 
[IMG]Premier Eleven power wiring @ 150.jpg2026-03-06 12:20 800K 

Apache/2.4.64 (Ubuntu) Server at library.mikesservers.com Port 443